• Mühlenflößstr. 34b, 33175 Bad Lippspringe
  • Die Wohnungen
    • Wohnung 1
    • Wohnung 2
    • Wohnung 3
    • Wohnung 4
    • Wohnung 5
    • Wohnung 6
    • Wohnung 7
    • Mietpreise
  • BlowerDoor, E-Ausweis, Photovoltaik
    • Photovoltaik Stromspeicher smart metering
      • Analysen SMA Sunny Portal Auszüge
      • Bilder Kioto LG Chem SMA
    • Dichtigkeitsprüfung
    • Ernergieausweis
  • Automation, Heizung, (W) LAN
    • Gebäudeautomation
    • Pelletheizung
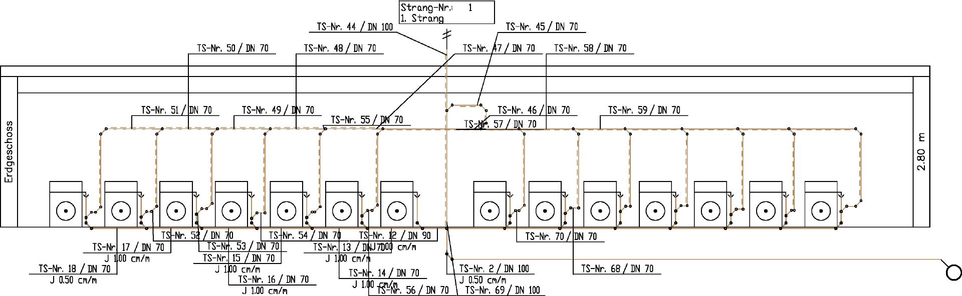
    • Wasser, Heizung, RauCAD Berechnungen
    • LAN & WLAN Struktur, Internetanbindung
  • Galerie Bauphasen
    • alter Bestand
    • Abbruch
    • Entwürfe 3D Ausführung
    • Gründung Sohle
    • Erdgeschoss
    • Obergeschosse
    • Klinker WVDS Innenputz bis fertig
    • Finale Komposition
Sie sind hier: Mühlenflößstr. 34b, 33175 Bad Lippspringe » Automation, Heizung, (W) LAN » Wasser, Heizung, RauCAD Berechnungen

Wasser, Abwasser,Fußbodenheizung, RauCAD Berechnun

  • Impressum
  • Kontakt